電壓跟隨器:高輸入阻抗的緩沖解決方案
在電子電路設計中,電壓跟隨器(亦稱緩沖放大器、單位增益放大器或隔離放大器)是一種特殊的運算放大器電路配置。其核心特性在于輸出電壓精準地等同于輸入電壓,即實現對輸入信號的 “跟隨” 效應,且電壓增益被設定為 1。
電路特性與工作原理
電壓跟隨器并不對輸入信號進行傳統意義上的放大處理。正因如此,它的輸出電壓能夠緊密跟隨輸入電壓的變化,兩者始終保持一致。例如,當輸入電壓為 10V 時,輸出電壓同樣維持在 10V。這一特性使得電壓跟隨器在電路中主要扮演緩沖器的角色,為信號提供阻抗轉換功能而不改變其電壓幅度。


基于歐姆定律,

當電阻值增大時,從電源汲取的電流會相應減少。由此可推斷,當電流饋入高阻抗負載時,功率傳輸效率得以提升,電源所受干擾得以降低。以下通過對比兩種典型電路情況,深入理解電壓跟隨器的工作優勢。

當電阻值增大時,從電源汲取的電流會相應減少。由此可推斷,當電流饋入高阻抗負載時,功率傳輸效率得以提升,電源所受干擾得以降低。以下通過對比兩種典型電路情況,深入理解電壓跟隨器的工作優勢。
首先,觀察一個低阻抗負載電路。由于負載阻抗較低,依據歐姆定律,該負載會消耗大量電流,導致電源需要輸出較高功率,進而可能引發電源內部的高干擾。這種情況下,電源的供電效率和穩定性會受到一定影響。


低阻抗負載電路示意圖
接下來,將電壓跟隨器引入相同的功率傳輸場景。得益于其極高輸入阻抗的特性,電壓跟隨器在工作過程中僅消耗極少量的電流。由于電路設計中未引入反饋電阻,其輸出電壓與輸入電壓保持一致。這種高輸入阻抗、單位增益的特性,使得電壓跟隨器能夠在有效隔離前后級電路的同時,將信號完整地傳輸至后續負載。


電壓跟隨器電路圖示例
基于運算放大器 741 的電路實現
電路連接與工作細節
在采用運算放大器 741 構建的電壓跟隨器電路中,輸入信號被施加于 IC 的非反相引腳,反相引腳(引腳 2)則通過與輸出引腳(引腳 6)相連實現負反饋。偏置引腳(引腳 7 和引腳 4)連接至電源,輸出端連接負載電阻。運算放大器 IC 741 具備較高的輸入阻抗,這一特性使其從輸入源汲取的電流極低,從而能夠向負載提供相對較高的輸出電流,實現高效的信號緩沖與傳輸。
使用運算放大器 741 的電壓跟隨器電路圖一


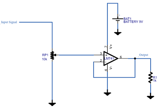
簡化電路設計與應用優勢
另一種采用運算放大器 LM741 的電壓跟隨器電路設計同樣簡潔高效。該電路主要由放大器 IC LM741、10K 可變電阻、通用 1K 歐姆電阻、電源以及輸入信號源構成。輸入信號連接至 IC 的非反相端子,反相端子與輸出端耦合形成負反饋回路。借助可變電阻,可在 0 - 9V DC 范圍內靈活調節輸入電壓,憑借電路的單位電壓增益特性,實現對信號的精準傳輸與緩沖保護。
使用運算放大器 741 的電壓跟隨器電路圖二


這種電路設計的優勢在于硬件需求簡單,易于搭建與調試,同時能夠充分利用 LM741 運算放大器的高性能特性,為各種電子系統中的信號傳輸與阻抗匹配問題提供可靠的解決方案。
在實際應用中,電壓跟隨器憑借其高輸入阻抗、低輸出阻抗以及單位增益的特性,被廣泛應用于信號緩沖、阻抗匹配以及電路隔離等場景,對于提升電子系統的整體性能和穩定性具有重要意義。
〈烜芯微/XXW〉專業制造二極管,三極管,MOS管,橋堆等,20年,工廠直銷省20%,上萬家電路電器生產企業選用,專業的工程師幫您穩定好每一批產品,如果您有遇到什么需要幫助解決的,可以直接聯系下方的聯系號碼或加QQ/微信,由我們的銷售經理給您精準的報價以及產品介紹
聯系號碼:18923864027(同微信)
QQ:709211280

