
傳真:
18923864027
QQ:
709211280
地址:
深圳市福田區振中路84號愛華科研樓7層
場效應晶體管的特點介紹什么是場效應晶體管?場效應晶體管(Field-effecttransistor,縮寫:FET)是一種通過電場效應控制電流的電子元器件。
壓敏電阻在燈具電子線路中的應用介紹眾所周知,晶體管是單晶半導體器件,而壓敏電阻是有空架晶格的多晶半導體,隨著所加電壓,晶格發生變化
LED電源驅動照明電路設計介紹LED因其應用廣泛,價格公道,而被業界廣泛采用,不管是節日的裝飾燈還是家庭使用的各種燈具要用到LED的驅動電
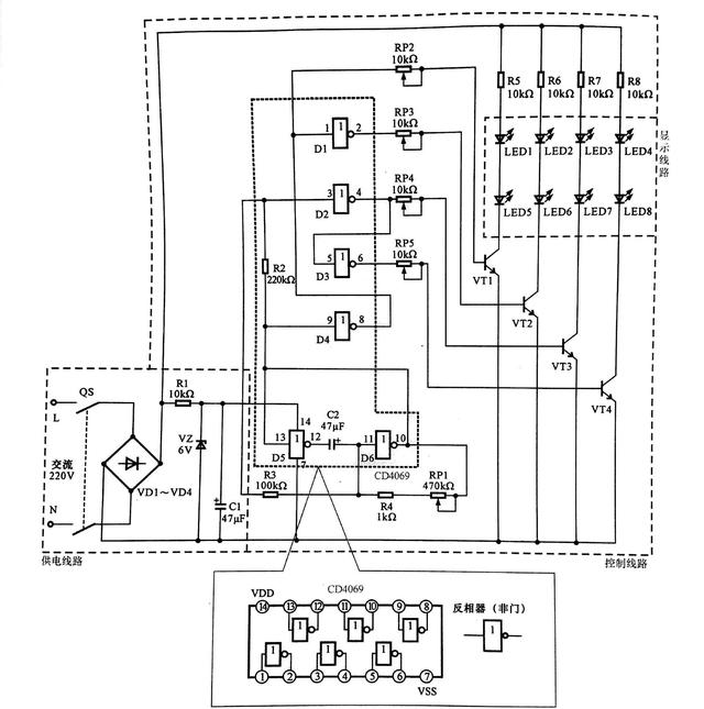
LED廣告燈控制線路原理解析LED廣告燈控制線路是一種可用于小區庭院、馬路、景觀照明及裝飾用的線路。LED廣告燈控制線路是采用LED作為顯示設
用電感制作多諧振蕩電路介紹我們通過對三極管以及電容的講解,詳細地分析了其中的工作原理。從分析過程可以知道,該電路輸出的是一個方波信
開關電源PCB設計原則與走線技巧介紹開關電源是一種電壓轉換電路,主要的工作內容是升壓和降壓,廣泛應用于現代電子產品。因為開關三極管總
基于PWM技術的直流電機控制系統介紹由于直流電機具有良好的起動、制動和調速性能,已廣泛應用于工業、航天領域等各個方面。隨著電力電子技
TL431在開關電源中的運行原理與典型應用介紹本篇文章主要對TL431在開關電源當中的應用和電路運行原理進行了介紹,并對典型電路進行了分析,
USB接口的光電隔離保護方案與其實現本文涉及對USB(通用串行總線)接口進行光電隔離保護的方案設計及其實現。本方案將USB(通用串行總線)
光耦在開關電源中的應用介紹光耦在電路中的主要作用就是實現光電轉換、實現隔離,避免輸入、輸出之間發生互相干擾的情況。在不同的開關電源
萬用表各種功能使用與注意事項介紹在詳細介紹萬用表前,先講敘一下一般測量儀器儀表的使用常識、讀數慣例。儀表儀器分指針式(模擬式)、數
晶體管類型要選對晶體管當作開關使用,已是司空見慣的事情了,今天硬是要找點話題來講講,且聊聊在接GND和接VCC的開關電路中,用不同類型的