電池管理系統(BMS)是一種能夠對電池進行監控和管理的電子裝備,是電池與用戶之間的紐帶。鋰池管理系統的主要功能是實現電池單元的智能化管理及維護,通過狀態監測、異常故障保護等來監管電池狀態。
其中,MOSFET對鋰電池板的保護作用非常大,MOS管的主要作用是檢測過充電、充放電時過電電流、短路時過電電流等,NMOS產品被廣泛應用于電池管理系統中。NMOS可作為電池組的主開關,同時,NMOS類型也通過電荷泵用于高端開關。在電池管理系統中,通常會利用MOSFET的開關特性去控制電池對外供電主回路的切斷和閉合,在一些不間斷電源的場景上,需要電池管理系統在微控制器重啟或者升級過程中,MOSFET的導通狀態不發生變化,并維持原有的狀態。#樂享周末分享吧#對于這么核心的電池管理系統中的電路設計中,為了使可充電電池更具備長使用壽命,正確的充電電路設計與電子元器件器件選擇至關重要。


(BMS的保護工作原理)
關于MOS
MOS管一般又叫場效應管,與二極管和三極管不同,二極管只能通過正向電流,反向截止,不能控制,三極管通俗講就是小電流放大成受控的大電流,MOS管是小電壓控制電流的。
在金屬中,響應外加場的電子密度非常大,以至于外部電場只能穿透很短的距離進入材料。然而,在半導體中,可以響應外加場的較低密度的電子(可能還有空穴)足夠小,以至于場可以穿透到材料中很遠。
MOS管的主要作用是放大電信號,用于電子設備中的開關控制、電源管理、數據傳輸等方面。MOS管的原理是基于PN結的反向偏置效應,即當PN結處于反向偏置狀態時,其電阻非常大,電流幾乎為零。
mos管工作原理是能夠控制源極和漏極之間的電壓和電流。mos管是一種具有絕緣柵的FET,其中電壓決定了器件的電導率。發明mos管是為了克服 FET中存在的缺點,如高漏極電阻、中等輸入阻抗和較慢的操作。
工作原理:在MOSFET中,連接極與P溝道區域之間隔離,因此不會直接通過電流。連接極上的電壓會影響N溝道區域的電流。當連接極的電壓升高時,N溝道區域的電流會增加,電流就會從源極流入匯極。
bms怎么區分充放電mos
汽車一共有兩個工作模式:放電,充電。其中充電再分為快充和慢充。確定工作模式的方式是,給BMS供電的到底是哪個24V電源,T15/快充/慢充 只有自檢通過才允許上高壓,也就是閉合對應的繼電器。
BmS是通過內阻檢測預充電流的,內阻分兩種:一種是直流內阻,一般是以某一恒定的電流放電/充電10S/30S等時間,再依據電壓變化除以電流值計算得出直流內阻值。
鋰電池3mos就是電流,功率大校。鋰電池保護板是對串聯鋰電池組的充放電保護;在充滿電時能保證各單體電池之間的電壓差異小于設定值(一般±20mV),實現電池組各單體電池的均充,有效地改善了串聯充電方式下的充電效果。


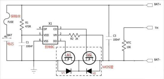
(一種基于bms的mos管并聯驅動電路)
對于在電池中像大腦的BMS的電路設計是需要選擇一款穩定、優質的MOS管來代換XXW4406A、XXW4406B這類型的型號使用的,使用好就是提升便攜式設備產品的穩定性。
〈烜芯微/XXW〉專業制造二極管,三極管,MOS管,橋堆等,20年,工廠直銷省20%,上萬家電路電器生產企業選用,專業的工程師幫您穩定好每一批產品,如果您有遇到什么需要幫助解決的,可以直接聯系下方的聯系號碼或加QQ/微信,由我們的銷售經理給您精準的報價以及產品介紹
聯系號碼:18923864027(同微信)
QQ:709211280

