鎮流器(ballast resistor)是日光燈上起限流作用和產生瞬間高壓的設備,是一種限制通過電氣負載的電流的裝置,用于限制電路中的電流量。
當通過負載的電流增加時負載(例如電弧放電)的端電壓下降時,最常使用這些。 如果這樣的設備連接到恒壓電源,它會吸收越來越多的電流,直到它被毀壞或導致電源出現故障。 為了防止這種情況,鎮流器提供了一個限制電流的正電阻或電抗。 鎮流器通過限制電流提供負電阻裝置的正常操作。


鎮流器(ballast resistor)是日光燈上起限流作用和產生瞬間高壓的設備,在硅鋼制作的鐵芯上纏漆包線制作而成,這樣的帶鐵芯的線圈,在瞬間開/關上電時,就會自感產生高壓,加在日光燈管的兩端的電極(燈絲)上。
這個動作是交替進行的,當啟輝器(跳泡)閉合時,燈管的燈絲通過鎮流器限流導通發熱;當啟輝器開路時,鎮流器就會自感產生高壓加在燈管的兩端燈絲上,燈絲發射電子轟擊管壁的螢光粉發光,啟輝器反復幾次通斷,就會反復幾次這樣的動作,從而打通燈管。
當燈管正常發光時,內阻變小,啟輝器就始終保持開路狀態,這樣電流就穩定的通過燈管、鎮流器工作了,使燈管正常發光。鎮流器分電子鎮流器和電感鎮流器。
鎮流器在電路中的作用:
1.限制電路中的電流,使燈管正常穩定地工作。
2.在電路中產生瞬間高壓,擊穿日光燈的兩端的氣體使之放電。
鎮流器工作原理
電感鎮流器
當開關閉合電路中施加220V 50HZ的交流電源時,電流流過鎮流器,燈管燈絲啟輝器給燈絲加熱(啟輝器開始時是斷開的,由于施加了一個大于190V以上的交流電壓,使得啟輝器內的跳泡內的氣體弧光放電,使得雙金屬片加熱變形,兩個電極靠在一起,形成通路給燈絲加熱),當啟動器的兩個電極靠在一起,由于沒有弧光放電,雙金屬片冷卻,兩極分開,由于電感鎮流器呈感性,當電路突然中斷時,在燈兩端會產生持續時間約1ms的600V-1500V的脈沖電壓,其確切的電壓值取決于燈的類型,在放電的情況下,燈的兩端電壓立即下降,此時鎮流器一方面對燈電流進行限制作用,另一方面使電源電壓和燈的工作電流之間產生55°到65°的相位差,從而維持燈的二次啟動電壓,使燈能更穩定的工作。
電感鎮流由于結構簡單,作為第一種熒光燈配合工作的鎮流器,市場占有率還比較大,由于它的功率因數低,低電壓啟動性能差,耗能笨重,頻閃等諸多缺點,它的市場慢慢地被電子鎮流器所取代,電感鎮流器能量損耗:40W(燈管功率)+10W(電感鎮流器自身發熱損耗)等于整套燈具總耗電為50W。
電子鎮流器
電子鎮流器是一個將工頻交流電源轉換成高頻交流電源的變換器,工作原理是:
工頻電源經過射頻干擾(RFI)濾波器,全波整流和無源(或有源)功率因素校正器(PPFC或APFC)后,變為直流電源。通過DC/AC變換器,輸出20K-100KHZ的高頻交流電源,加到與燈連接的LC串聯諧振電路加熱燈絲,但使燈管“放電”變成“導通”狀態,再進入發光狀態,此時高頻電感起限制電流增大的作用,保證燈管獲得正常工作所需的燈電壓和燈電流,為了提高可靠性,常增設各種保護電路,如異常保護,浪涌電壓和電流保護,溫度保護等等。
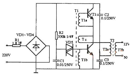
55w電子鎮流器電路圖(一)
電路如下圖所示。其工作原理與開關電源相似,二極管VD1~VD4構成整流橋把市電變成直流電,由振蕩變壓器T1,三極管VT1、VT2組成的高頻振蕩電路,將脈動直流變成高頻電流,然后由鐵氧體輸出變壓器T2對高頻高壓脈沖降壓,獲得所需的電壓和功率。R1為限流電阻。電阻R2、電容C1和雙向觸發二極管VD5構成啟動觸發電路。三極管VT1、VT2選用S13005,其B為15~20倍。也可用C3093等BUceo》=35OV的大功率三極管。觸發二極管VD5選用32V左右的DB3或VR60。振蕩變壓器可自制,用音頻線繞制在H7X10X6的磁環上。TIa、T1b繞3匝,Tc繞1匝。鐵氧體輸出變壓器T2也需自制,磁心選用邊長27mm、寬20mm、厚10mm的EI型鐵氧體。T2a用直徑為0.45mm高強度漆包線繞100匝,T2b用直徑為1.25mm高強度漆包線繞8匝。二極管VD1~VD4選用IN4007型,雙向觸發二極管選用DB3型,電容C1~C3選用聚丙聚酯滌綸電容,耐壓250V。
50w電子鎮流器電路圖


電路工作時,A點工作電壓約為12V;B點約為25V;C點約為105V;D點約為10V。如果電壓不滿足上述數值,或電路不振蕩,則應檢查電路有無錯焊、漏焊或虛焊。然后再檢查VT1、VT2是否良好,T1a、T1b的相位是否正確。整個電路裝調成功后,可裝入用金屬材料制作的小盒內,發利于屏蔽和散熱,但必須注意電路與外殼的絕緣。引外,改變T2a、b二線圈的匝數,則可改變輸出的高頻電壓
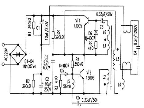
55w電子鎮流器電路圖(二)
電路如下圖所示。該電路由整流濾波電容、高頻振蕩電路以及輸出負載屯路三部分構成。


交流220V經整流濾波輸出約300V直流為振蕩電路提供電源。開機后,電源經R5對C3充電,使Vc3迅速升高,從而使VT2迅速達到飽和導通;此時由于T的反饋作用使VTI截止。VT2一旦導通,則Vc3下降,流過L2的電流減小,引起L2兩端一個上負下正的電壓。據同名端原則,L1得到上正下負的反饋電壓,從而使VTI迅速飽和導通,同時T的正反饋作用又使VT2迅速截止,如此周而復始形成振蕩方波(R6D6、R3D5起續流作用)。負載回路由L3、L4、C4構成。VTI、VT2產生的高頻振蕩方波由L3加給負載作激勵源。燈管點亮前,由C4、L4等形成很大的諧振電梳流過燈絲,使管內氫氣電離,進而使水銀變為水銀蒸汽,C4兩端的高電壓又使水銀蒸汽形成弧光放電,激發管壁熒光粉發光。燈管點亮后,C4基本上不起作用,此時L4則起阻流作用。
〈烜芯微/XXW〉專業制造二極管,三極管,MOS管,橋堆等,20年,工廠直銷省20%,上萬家電路電器生產企業選用,專業的工程師幫您穩定好每一批產品,如果您有遇到什么需要幫助解決的,可以直接聯系下方的聯系號碼或加QQ/微信,由我們的銷售經理給您精準的報價以及產品介紹
聯系號碼:18923864027(同微信)
QQ:709211280

