晶閘管(硅可控元件),是由三個PN結構成的一個大功率半導體器件,多用于可控整流、逆變、調壓等電路,也作為無觸點開關??煽毓杩梢苑譃閱蜗蚩煽毓韬碗p向可控硅以及門級關斷晶閘管(GTO),符號如下圖所示:


單向可控硅
單向可控硅內部結構示意圖如下圖所示:


單向可控硅由四層半導體材料組成,四層材料由P型半導體和N型半導體交替組成,它們的接觸面構成了三個PN結。故單向可控硅也被稱為四層器件。
P1區引出線為陽極A,N2引出線為陰極C,P2區引出線為控制極G。為了更好理解單向可控硅的工作原理,可以將單向可控硅拆為PNP型晶體管和NPN型晶體管相連。
單向可控硅工作原理
當單向可控硅的陽極A和陰極C之間施加正向電壓,而控制極G不施加電壓,則中間對應的PN結處于反偏(電場方向和PN結方向相反)——J2反向偏置,管子不導通,組處于阻斷狀態。
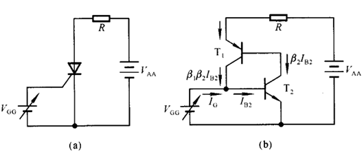
當單向可控硅陽極A和陰極C之間施加正向電壓,且控制極G和陰極C之間也施加正向電壓,如下圖所示:


通過等效電路分析,T2管導通。若T2管的基極電流為IB2,則集電極電流為β2IB2;進一步有IBIC2=β2IB2:,從而IC1=β1IB1=β1β2IB2,又由于IB2=IC1,再一次進行上述放大過程,形成正反饋。
因在很短時間內(不超過幾微秒)兩只管子均進入飽和狀態,使晶體管完全導通。晶體管一旦導通之后,控制極就失去作用,管子依靠內部的正反饋始終維持在導通狀態(這是由于晶體管導通后,BG2的基極始終有BG1的集電極電流提供觸發電流,因此控制極只在剛接上觸發信號(電壓)的那—瞬間才“觸發”作用)。
單向可控硅導通之后,陽極和陰極之間的電壓一般為0.6~1.2V。電源電壓幾乎全部加在負載上。陽極電流IA因型號不同可達幾十到幾千安。
單向可控硅的作用
1. 交流電的控制
單向可控硅最主要的用途就是用于交流電的控制和轉換。在交流電路中,它可以用來實現電壓的調節、電流的控制和開關的功能。例如,電爐加熱和交流電機的調速都需要單向可控硅來完成。
2. 電源控制
單向可控硅還可以用于電源的控制。例如,手機充電器中的電源開關就是由單向可控硅來控制的。它可以實現對電源的開關和電流大小的調節。
3. 照明控制
單向可控硅還可以用于照明控制。在智能家居系統中,可以利用單向可控硅來控制燈光的亮度和開關。此外,單向可控硅還可以應用于防雷、防電擊和電磁兼容等方面。
單向可控硅和雙向可控硅的區別
單向可控硅是一種可控整流電子元件,它只能在一個方向上控制電流,即只能控制電流從一個端口流向另一個端口,而不能控制電流從另一個端口流向第一個端口。
雙向可控硅具有兩個方向輪流導通、關斷的特性,它可以在兩個方向上控制電流。
〈烜芯微/XXW〉專業制造二極管,三極管,MOS管,橋堆等,20年,工廠直銷省20%,上萬家電路電器生產企業選用,專業的工程師幫您穩定好每一批產品,如果您有遇到什么需要幫助解決的,可以直接聯系下方的聯系號碼或加QQ/微信,由我們的銷售經理給您精準的報價以及產品介紹
聯系號碼:18923864027(同微信)
QQ:709211280

