運放的相位補償
為了讓運放能夠正常工作,電路中常在輸入與輸出之間加一相位補償電容。
1、關于補償電容
理論計算有是有的,但是到了設計成熟階段好象大部分人都是憑借以前的調試經驗了,一般對于電容大小的取值要考慮到系統的頻響(簡單點說加的電容越大,帶寬越窄),然后就是振蕩問題;
如果非要計算,可以看看運放的輸入端的分布電容是多大,舉個例子,負反饋放大電路就是要保證輸入端的那個電阻阻值和分布電容的乘積=反饋電阻的阻值和要加的電容的乘積...
2、兩個作用
1. 改變反饋網絡相移,補償運放相位滯后
2. 補償運放輸入端電容的影響(其實最終還是補償相位……)
因為我們所用的運放都不是理想的。
一般實際使用的運算放大器對一定頻率的信號都有相應的相移作用,這樣的信號反饋到輸入端將使放大電路工作不穩定甚至發生振蕩,為此必須加相應的電容予以一定的相位補償。
在運放內部一般內置有補償電容,當然如果需要的話也可在電路中外加,至于其值取決于信號頻率和電路特性。
運放輸入補償電容

一般線性工作的放大器(即引入負反饋的放大電路)的輸入寄生電容Cs會影響電路的穩定性,其補償措施見圖。
放大器的輸入端一般存在約幾皮法的寄生電容Cs,這個電容包括運放的輸入電容和布線分布電容,它與反饋電阻Rf組成一個滯后網絡,引起輸出電壓相位滯后,當輸入信號的頻率很高時,Cs的旁路作用使放大器的高頻響應變差,其頻帶的上限頻率約為:
ωh=1/(2πRfCs)
若Rf的阻值較大,放大器的上限頻率就將嚴重下降,同時Cs、Rf引入的附加滯后相位可能引起寄生振蕩,因而會引起嚴重的穩定性問題。
對此,一個簡單的解決方法是減小Rf的阻值,使ωh高出實際應用的頻率范圍,但這種方法將使運算放大器的電壓放大倍數下降(因Av=-Rf/Rin)。
為了保持放大電路的電壓放大倍數較高,更通用的方法是在Rf上并接一個補償電容Cf,使RinCf網絡與RfCs網絡構成相位補償。
RinCf將引起輸出電壓相位超前,由于不能準確知道Cs的值,所以相位超前量與滯后量不可能得到完全補償,一般是采用可變電容Cf,用實驗和調整Cf的方法使附加相移最小。
若Rf=10kΩ,Cf的典型值絲邊3~10pF。對于電壓跟隨器而言,其Cf值可以稍大一些。
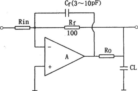
運放輸出電容的補償

對于許多集成運算放大電路,若輸出負載電容CL的值比100pF大很多,由于輸出電容(包括寄生電容)與輸出電阻將造成附加相移,這個附加相移的累加就可能產生寄生振蕩,使放大器工作嚴重不穩定。
解決這一問題的方法是在運放的輸出端串聯一個電阻Ro,使負載電容CL與放大電路相隔離,如圖所示,在Ro的后面接反饋電阻Rf,這樣可以補償直流衰減,加反饋電容Cf會降低高頻閉環電壓放大倍數,Cf的選取方法是:
使放大電路在單位增益頻率fT時的容抗Xcf≤Rf/10,又Xf=l/(2πfTCf),一般情況下,Ro=50~200Ω,Cf約為3~10pF。
除了上述不穩定因素之外,還存在其他一些不穩定因素,有些是來自集成芯片自身。有些是源于系統電路(例如電源的內阻抗的耦合問題)。有時使用很多方法都難以解決不穩定問題,但采用適當的補償方法后可使問題迎刃而解。
例如:當放大器不需要太寬的頻帶和最佳轉換速率時,對集成運放采用過補償的方法會取得很好的效果,如將補償電容增加9倍或為實現穩定性所需要的倍數,對μA301型運放而言,其效果一般都較好。
〈烜芯微/XXW〉專業制造二極管,三極管,MOS管,橋堆等,20年,工廠直銷省20%,上萬家電路電器生產企業選用,專業的工程師幫您穩定好每一批產品,如果您有遇到什么需要幫助解決的,可以直接聯系下方的聯系號碼或加QQ/微信,由我們的銷售經理給您精準的報價以及產品介紹
聯系號碼:18923864027(同微信)
QQ:709211280

