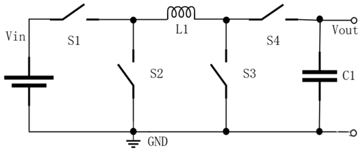
4開關BOB電源全稱是BUCK or BOOST升降壓電源,顧名思義,既可以降壓,又可以升壓,兼容BUCK和BOOST電源的功能。
下圖是4開關BOB電源的拓撲示意圖,4個開關帶一個電感,通過控制開關的導通、斷開的不同狀態來衍生出不同的電源架構。

降壓模式
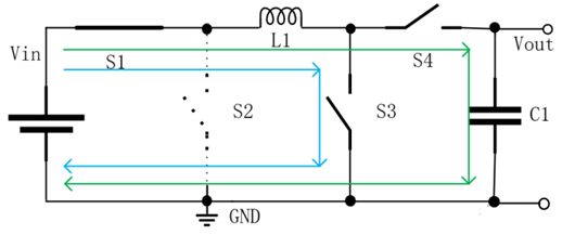
當S4處于常閉、S3處于常開狀態時,反復開關的管子是S1和S2,這就構成了BUCK降壓結構。下圖就是BUCK的結構,有S1、S2兩個工作管子,這種BUCK被稱為同步BUCK,效率會高一些。
有兩種工作周期,1:S1閉合、S2斷開,對電感L1充電,見下圖綠色曲線;2:S1斷開、S2閉合,電感對負載放電,見下圖藍色曲線。

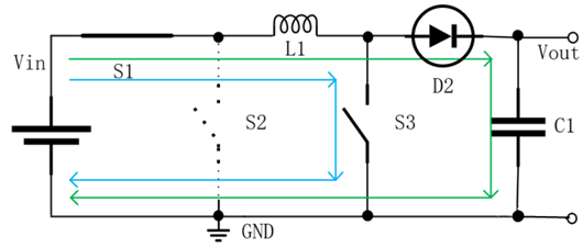
將上圖中的S2代替為二極管也可以起到降壓作用,然而效率會降低一些,二極管會消耗一部分功率,這種結構被稱為非同步BUCK,只有S1一個管子動作。
當S1閉合時,對電感L1充電,見下圖綠色曲線;當S1斷開時,電感L1通過負載——>二極管D2進行放電,見下圖藍色曲線。

對于非同步BUCK,如果在上圖中SW點開關節點位置測量電壓,會發現一個奇怪的負電壓,如下圖紅色圈圈中那樣,這是因為二極管需要有一個導通低電壓,一般是0.7V,就剛好出現這個小小的負電壓。
升壓模式
當S1處于常閉、S2處于常開狀態時,反復開關的管子是S3和S4,這就構成了boost升壓結構。
下圖就是BOOST的結構,有S3、S4兩個工作管子,有兩種工作周期,1:S3閉合、S4斷開,對電感L1充電,見下圖藍色曲線;2:S3斷開、S4閉合,電感對負載放電,見下圖綠色曲線。

同樣地,也可以把S4代替為二極管,依然實現升壓結構。

總而言之,4開關架構電源,通過對開關進行配置,可以自由工作在降壓或者是升壓的模式。
〈烜芯微/XXW〉專業制造二極管,三極管,MOS管,橋堆等,20年,工廠直銷省20%,上萬家電路電器生產企業選用,專業的工程師幫您穩定好每一批產品,如果您有遇到什么需要幫助解決的,可以直接聯系下方的聯系號碼或加QQ/微信,由我們的銷售經理給您精準的報價以及產品介紹
聯系號碼:18923864027(同微信)
QQ:709211280

