MBR4060CT肖特基二極管40A 60V,MBR4060CT有TO220,TO220F兩種封裝,MBR4060CT二極管參數中文資料


MBR4060CT肖特基二極管TO-220封裝規格書:點擊下載

MBRF4060CT肖特基二極管TO-220F封裝規格書:點擊下載

MBR4060CT肖特基二極管TO-220,TO-220F封裝參數如下:
Maximum repetitive peak reverse voltage VRRM 最大重復峰值反向電壓:60V
Maximum DC blocking voltage VDC 最大直流閉鎖電壓:60V
Maximum average forward rectified current I(AV) 最大正向平均整流電流:40.0A
Maximum Forward Voltage at 20A per leg VF 每只腳 20A 時的最大正向電壓:0.72V
Maximum DC reverse current at rated DC blocking voltage TA=25℃ IR 額定直流阻斷電壓下的最大直流反向電流:0.05mA
Maximum DC reverse current at rated DC blocking voltage TA=125℃ IR 額定直流阻斷電壓下的最大直流反向電流:20.0mA
Operating junction and storage temperature range TJ,TSTG 工作溫度和存儲溫度范圍:-65to +175℃
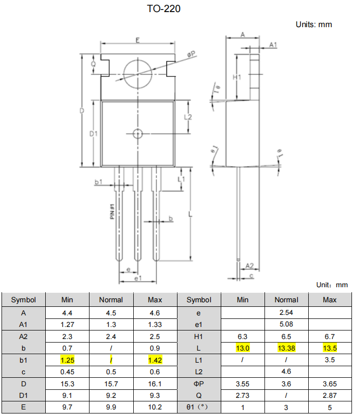
MBR4060CT肖特基二極管封裝,TO-220封裝尺寸:

MBR4060CT肖特基二極管封裝,TO-220F封裝尺寸:

聯系號碼:18923864027(同微信)
QQ:709211280
〈烜芯微/XXW〉專業制造二極管,三極管,MOS管,橋堆等,20年,工廠直銷省20%,1500家電路電器生產企業選用,專業的工程師幫您穩定好每一批產品,如果您有遇到什么需要幫助解決的,可以直接聯系上方的聯系號碼或加QQ,由我們的銷售經理給您精準的報價以及產品介紹


