本雙鍵觸摸式照明燈電路圖使用兩個觸摸電極片,分別代替在實際生活中的開和關控制。
其電路工作原理如下圖所示。


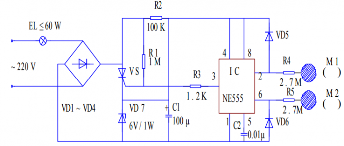
VS 與 VD7 構成了開關回路。當人觸摸到 M1(開)電極片時,人體通過 R4、VD5 整流后給IC NE555 集成電路的2腳一個低電平信號(此時IC NE555 集成電路接為RS 觸發器 ),輸出腳 3 輸出高電平,通過 R3 后觸發 VS 的門極,VS 導通,電燈點亮。當人觸摸到 M2(關)電極片時,人體通過 R5、VD6 整流后給 IC NE555 集成電路的 6腳一個低電平信號,輸出腳 3 輸出低電平,R1 提供的正向觸發電壓被 R3 通過集成電路的 3腳對地短路,VS 失去觸發電壓,當交流過零時即關斷,電燈熄滅。
在元器件選擇上,IC 選用 NE555 型集成電路;VS 選用 2N6565 型普通塑封小型單向晶閘管;VD1~VD4 選用 IN4007 硅整流二極管;VD7 選用 6.2V、1W 的 2CW105 硅穩壓二極管;VD6、VD7 選用IN4148 型硅開關二極管;R1~R5 均選用 RTX—1/8W 型碳膜電阻器;C1 選用 CD11—16V型電解電容;C2 選用 C'I'I 型瓷介電容器。另外,本電路結構簡單、使用方便,只要焊接正確,選用元件正確都能正常工作。由于本電路負載的能力受到穩壓管 VD7 的限制,所以負載的功率不宜大于 60W。
烜芯微專業制造二極管,三極管,MOS管,橋堆等20年,工廠直銷省20%,4000家電路電器生產企業選用,專業的工程師幫您穩定好每一批產品,如果您有遇到什么需要幫助解決的,可以點擊右邊的工程師,或者點擊銷售經理給您精準的報價以及產品介紹
烜芯微專業制造二極管,三極管,MOS管,橋堆等20年,工廠直銷省20%,4000家電路電器生產企業選用,專業的工程師幫您穩定好每一批產品,如果您有遇到什么需要幫助解決的,可以點擊右邊的工程師,或者點擊銷售經理給您精準的報價以及產品介紹

