常見的三極管是9012,s8550,9013,s8050。三極管在微控制器應用電路中的主要作用是切換功能。其中,9012和8550是pnp型三極管,可以普遍使用。其中,9013和8050是npn三極管,可以普遍使用。 PNP和NPN三極管引腳的表示:

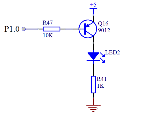
晶體管在我們的數字和模擬電路中有很多應用,在我們的開發板中使用了幾個晶體管。在我們電路板的小型LED燈部分,有這個晶體管的應用。圖3-5的LED電路中的Q16是PNP型晶體管。

對三極管三極管的初步了解是一種非常常見的控制和驅動裝置。常用的三重奏根據材料分為兩種類型:硅膠管和鉭管。原理是相同的,電壓降略有不同,硅膠管更常見并且管應用。少,本課程使用硅膠管的參數來解釋。有兩種類型的三極管,PNP和NPN。

三腳架總共有3個桿。如圖3-6所示,左側引腳稱為基極,中間有一個箭頭,一個連接到基極,另一個連接到發射極e(發射極)。剩下的引腳是集電極c(集電極)。這是應該記住的東西,記憶中記憶,以后慢慢使用。每當我記得它,我會多次鉆研我的思緒。
三極管原理有三種工作狀態:切割,放大和飽和。放大狀態主要用于模擬電路,使用和計算的方法也很復雜,目前我們無法使用。數字電路主要使用三極管的開關特性,只使用截止和飽和狀態,所以我們只解釋這兩種用途。三極管的類型和用途我總結了所有人的祈禱。所有人都必須記住這句話:箭頭朝PNP的內部指點下,驅動電壓之后的箭頭,電壓,并且電流進行控制。讓我們一次分析一句話。你可以看到圖3-6。有兩種類型的三極管。箭頭向內PNP。箭頭的自然方向是NPN。在實際應用中,您必須根據電路的實際要求選擇使用哪種類型。這將是幾倍,它非常簡單。三極管的使用特性是極b(基極)和平臺e(發射極)之間的電壓。對于PNP,電子極的電壓大于0.7V以上的電平b,并且三極管為e級和c級??梢院翢o問題地激活級別。也就是說,控制端在b和e之間,受控端在e和c之間。類似地,NPN晶體管的點火電壓是bV比e極高0.7V。總之,箭頭的起點比終點高0.7V,以點亮三腳架的極點e和c。這是“驅動電壓通過箭頭并且電壓開啟”的解釋。

所述三極管的基極通過一個電阻器10 K.它應該P1.0連接到所述微控制器的IO端口,發射極直接連接到5V的電源,集電極被連接到一個小LED燈和1K的限流電阻串聯連接。最后,它連接到負GND電源。如果我們的方案提供了一個高層次P1.0,則基本由發行人及均為5 V,這意味著EAB不會產生0.7伏的電壓下降。此時,發射器和器件電極它沒有打開,然后電路在三極管中關閉,沒有電流流過,小LED2燈不亮。如果程序給出P1.0的低電平0,則極點e仍為5V,因此e和b之間存在電壓差,并且三極管e和b也導通??赡茉趀和b之間有一個三重奏。電壓降為0.7V,電壓為(5-0.7)V,電阻為R47。
此時,E之間,并且也C光,則小LED燈將具有電壓下降2V,且晶體管本身將有E和C之間0.2V的電壓降,我們忽略。然后在R41中將有大約3V的電壓降,這可以計算出來。該分支的電流約為3 mA,可以成功地照亮LED。最后一個概念,即當前控制。如上所述,三極管具有三種切割,放大和飽和狀態。只要e和b不是驅動程序,就沒有必要說切割。我們想要制作這個飽和的三極管,這就是我們所說的開關特性,它必須滿足一個條件。三極管的β增加。為了飽和,極點b的電流必須大于e和c之間的電流除以β。對于常用的三極管,該β可能被認為是100。
然后必須計算上部R47的阻力。只是告訴,電流之間c和e為3毫安,然后3毫安最小電流b等于100由劃分為30uA時,電壓將在基極電阻約4.3V降,基極電阻是最大4 3 V/30uA=143K。電阻值可以小于這個值,當然它也不能太小。太小會導致MCU的IO端口電流燒毀三極管或MCU。 STC89C52的IO端口的最大理論輸入值為25 mA。我建議你不要超過6毫安。我們使用電壓和電流來計算最小電阻值。
烜芯微專業制造二極管,三極管,MOS管,橋堆等20年,工廠直銷省20%,1500家電路電器生產企業選用,專業的工程師幫您穩定好每一批產品,如果您有遇到什么需要幫助解決的,可以點擊右邊的工程師,或者點擊銷售經理給您精準的報價以及產品介紹
烜芯微專業制造二極管,三極管,MOS管,橋堆等20年,工廠直銷省20%,1500家電路電器生產企業選用,專業的工程師幫您穩定好每一批產品,如果您有遇到什么需要幫助解決的,可以點擊右邊的工程師,或者點擊銷售經理給您精準的報價以及產品介紹

